Startseite  - Kontakt  - Impressum
 
 
 
Steuer- und Regelungstechnik
 

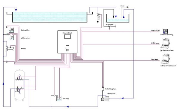
Schwimmbäder

Aufgrund der komplexen Struktur von Schwimmbädern und deren Wasseraufbereitungsanlagen
ist es erforderlich, alle Teilprozesse:

  • Filter- und Pumpensteuerung
  • Messung der Hygieneparameter
  • Dosierung
  • Heizung
  • Niveausteuerung
  • Attraktionen
  • Unterwasserbeleuchtung
  • Datenspeicherung und Weiterleitung

zusammenzuführen und miteinander zu verknüpfen. ,

Betriebsüberwachung und Fernwartung

Durch Aufschaltung auf unsere Wartungsserver, können die Anlage via VPN überwacht
und gewartet werden:

  • Meßdatenaufzeichnung auf USB oder SD, lokal und im Internet
  • Fehlermeldungen per email oder SMS
  • Fernzugriff mit PC, Laptop oder iPad
  • Remotesteuerung